
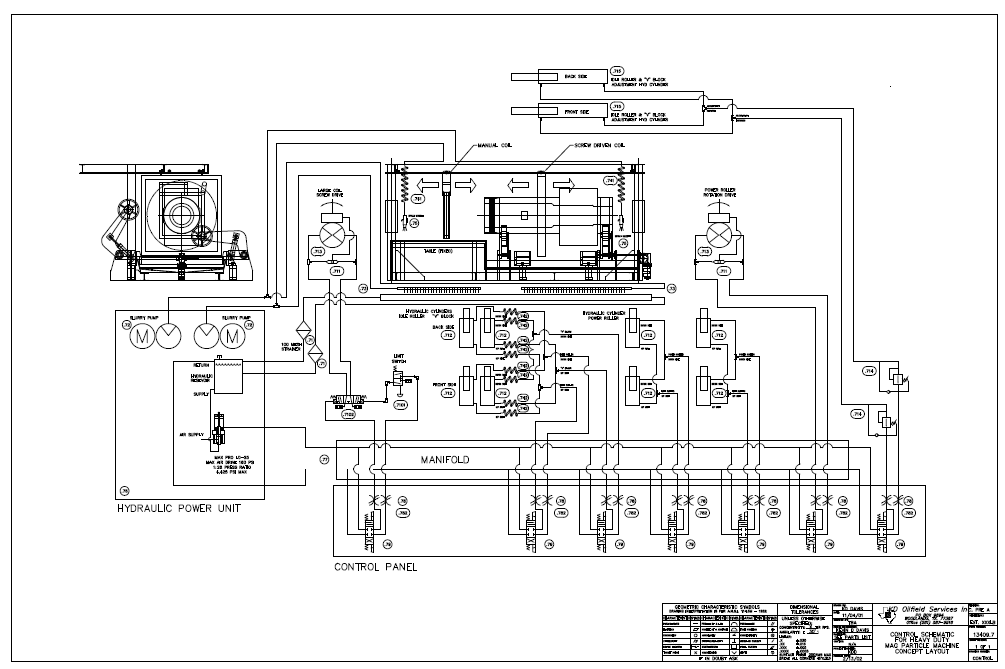
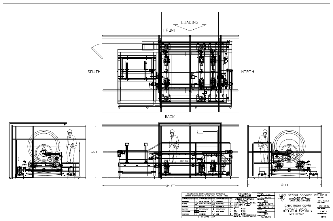
After years of successful use of a multitude of our Custom Built Machinery our Client approached us to develop this one of a kind Magnetic Particle Inspection Bench. This fully automated Machine provides the ability to adjust to different diameters and lengths of components. It features an HPU to not only power the automation but as well keep the particles suspended in the solution. It has the capacity to inspect wall thicknesses up to 13" with 20,000 AMPs of Power. To avoid the use of a Yoke that had to surround the component Magna Flux personnel in Chicago were instrumental in leading us to call on "Old Missile Casing Technology Methods" that would allow us to avoid the use of the conventional Yoke.









